在冬季水路面驾驶时,低温水(冰水)溅落到汽车高温系统或组件上,会造成热冲击。因此,汽车零部件产品需要使用冷水热冲击浸没试验机进行抗冰水冲击试验,以检测其在极端环境下的耐久性。下面,我们来了解一下冷水热冲击浸没试验机的相关技术方案。
产品名称:环仪仪器 冷水热冲击浸没试验机
系统组成:试验箱,冰水冲击测试系统,冰水浸没测试系统,控制系统,制冷系统,加热系统,风道系统等。
1.冰水冲击测试系统
适用于进行产品的水飞溅试验。
循环数: 100。
在 Tmax 保持时间: 1h 或直到温度稳定。
缝隙式喷咀: 2 个。
水流量: (3~4) L/3S, 通过 PID 控制自动恒流。
喷嘴距外壳距离: (325±25) mm。
喷淋时间: 3S。
转换持续时间: <20S。
水温: 0℃~4℃。
冰水降温时间: RT→(0℃~4℃)小于 2 小时
喷枪材质: 316L 不锈钢材质。
2.冰水浸没测试系统
适用于进行产品的浸没试验。
循环数: 10。
在 Tmax 保持时间: 1h 或直到温度稳定。
转换持续时间: <20S。
水温: 0℃~4℃。
浸没时间: 5min。
浸没深度: ≥10mm。
冰水降温时间: RT→(0℃~4℃)小于 2 小时。
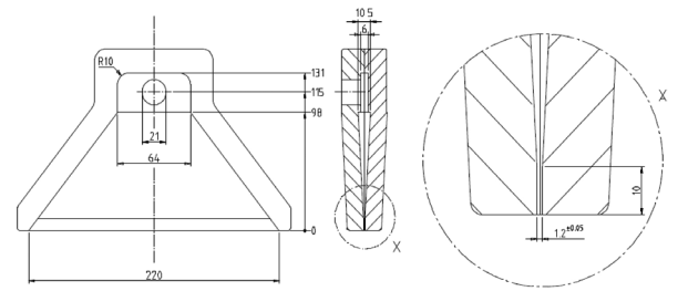
3.冰水飞溅喷嘴设计:
根据 ISO 16750-1-2 自制喷嘴(如图所示),材质 SUS316 不锈钢板。
喷嘴是置于高温区,DUT在高温处理中,喷嘴与高温区之间采活动隔离门阻断,有效避免喷嘴也是处于高温加热状态,导致整个管道受热,保证出水温度为 0~4℃;
主要技术要求:
产品特征:
1.采用 PLC 控制,具有可靠性高、抗干扰能力强的特点;同时,PLC 系统的模块化设计使得维修工作量小、维修方便。
2.集成加热系统(控制箱体温度)和制冷系统(控制水箱水温),确保试验条件能够精确模拟汽车零件的真实使用环境(高温)和冲击环境(冰水)。
3.能够实时显示试样的温度变化曲线,使试验人员能够直观、动态地观察试样的冷热变化过程。
如有冷水热冲击浸没试验机的选型疑问,可以咨询环仪仪器相关技术人员。













